The TSTM-DC Advanced Motorized Torque Test Stand offers all the mechanical specifications of the TSTM motorized test stand, including 100 lbin (11.3 Nm) torque capacity, versatile modular design, quick engagement and disengagement of samples, fixture mounting plate, stepper motor design that prevents speed variation with load, and more. The TSTM-DC offers expanded capabilities, including full PC control, programmable angle limits, programmable cycling, auto return, and other features. The TSTM-DC is a motorized test stand only. In order to measure torque you will need to add a torque sensor, display and appropriate test fixtures. For cap torque testing applications we offer a complete system including torque sensor, display and appropriate test fixtures; refer to this link .....CAP-TSTM. 
Photo Gallery



Features

- Maximum load: 100 lbin (11.3 Nm)
- Speed accuracy: ±0.2% of setting
- Speed range: 0.01 - 15.00 RPM (0.05-90°/s)
- No speed variation with load

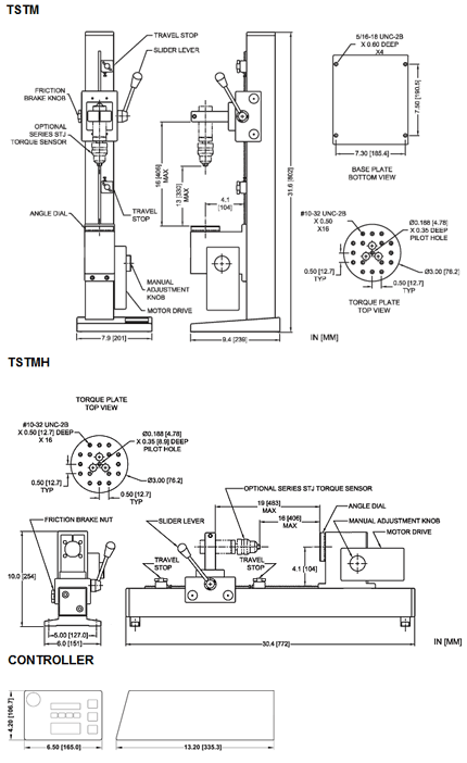
Specifications

| Maximum Load | 100 lbin | | Speed Range | 0.01 - 15.00 RPM (0.05-90°/s) | | Speed Accuracy | ±0.2% of setting | | Maximum Angular Travel | No limit | | Throat | 4.10" (104 mm) | | Manual Adjustment | 12º/knob rev | | Maximum Silder Travel | 15.5" (394 mm) | | Slider Travel Rate | 1.047" (26.6 mm) / level rev |

Dimensions
 

Notes

Column extension $125.00 base + $15.00 per inch The TSTM / TSTMH now includes the AC1004 adjustable gauge mounting plate. The TSTM / TSTMH is supplied with a wrench set. 
Downloads

Buy Now
|