Price: .00
Economical High Capacity Manual Hand Wheel Test Stand
1,000lb Capacity
3.5" (89mm) Maximum Travel
TSC - Vertical
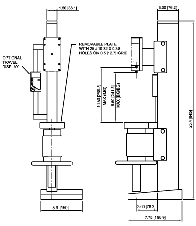
TSCH - Horizontal The TSC Force Measurement Test Stand is ruggedly built for testing up to 1,000 lb of compression or tension force. A large hand wheel requires little effort, even at high loads, and a precision Acme screw and nut ensure smooth operation over time. The stand includes a loading table with threaded holes for fixture or grip mounting and a solid metal base contains a storage pocket and holes for bench mounting. Available in vertical and horizontal orientations. Compatible with the following gauges: MG, BG, CG, BGI *Show with optional equipment. Force Gauge, Digital Display and Grips are sold separately 
Features

- Mounting holes for bench mounting
- Loading table with 25 #10-32 UNF holes for fixture mounting
- Precision Acme screw and nut
- Optional digital travel display

Specifications

| Capacity | 1,000lbs (4.5Kn) | | Stroke | 3.5" (89mm) | | Travel Rate | 0.1" (25.4mm) per rev | | Dimensions | 6"W x 8"D x 26"H (152mm x 203 mm x 660mm) | | Weight | 25 lbs (11.4kg) | | Compatible Gauges | MG, BG and CG | | Warranty | 3 Years |

Dimensions
 

Related Products



Buy Now

|
|